在冶金、礦山、化工、水泥等工業部門,每年都有大量的原料和再利用的廢料都需要用破碎機進行加工處理。如在選礦廠為使礦石中的有用礦物達到單體分離,就需要用破碎機將原礦破碎到磨礦工藝所要求的粒度。需要用破碎機械將原料破碎到下一步作業要求的粒度。在煉焦廠、燒結廠、陶瓷廠、玻璃工業、粉末冶金等部門,須用破碎機械將原料破碎到下一步作業要求的粒度。
在破碎機整套運行設備中作為其中重要的傳動系統,即破碎機萬向軸的選用十分重要。因為破碎機行業的工況環境一般比較惡劣,保證整個傳動系統的長久穩定運行是首要保障。
廢鋼破碎機萬向軸/PSX破碎生產線用萬向軸/破碎機萬向軸,被廣泛的運用在破碎機的傳動系統中,連接在高壓電機輸出和刀軸的輸入端。破碎機萬向軸在計算選型時要選取一定的安全系數,當然不是型號越大越好,而是要選擇合適的,一般我們推薦按電機輸出轉矩的3倍來選;因為破碎機工作的狀態極不穩定,刀軸上承載的扭力和投廢料的大小,數量,廢料的厚薄,還有廢料的類型有很大的關系,我廠研發了PSX系列2000馬力、4000馬力、6000馬力、8000馬力的破碎機萬向軸,450KW、630KW、900KW等小型破碎機萬向軸,滿足了小規模廢鋼生產企業的需求。



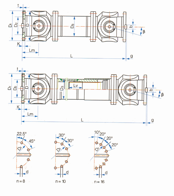
注:1.上表中各代號含義如下:
L --標準長度,對可伸縮型而言,長度L系縮短狀態下的最小長度;
Lv--伸長量;
m--質量;
Tn--公稱轉矩(取屈服轉矩的50%);
Tf--疲勞轉矩,即在變彎負荷作用下按疲勞強度確定的許用轉矩;
β--最大軸線折角;
mL--增長100mm的質量。
2.上表中未注明計量單位者按毫米計;
3.用戶需要改變標準長度,伸縮量和法蘭型式尺寸時,請和我廠商定。