一、適用范圍:
SWC中型萬向聯軸器主要適用于軋鋼機、穿孔機、矯直機、破碎機和船舶驅動等機械使用場合,是應用廣泛的萬向軸產品系列。其法蘭直徑為160-620mm,傳遞額定轉矩范圍16-1000kN.m,軸線折角為15°。
二、結構特點:
1、萬向聯軸器利用其機構的特點,使兩軸不在同一軸線,存在軸線夾角的情況下能實現所聯接的兩軸連續回轉,并可靠地傳遞轉矩和運動。
2、中型萬向聯軸器的特點是:具有結構緊湊,傳動扭矩大,使用壽命長,能長期在惡劣工況因素下使用等優點。
三、選型與保養:
根據JB5513-91標準,SWC-Ⅰ和SWC型萬向聯軸器參考按下列方法選型:
計算轉矩由式(1)、式(2)或式(1)、式(3)求出:

1)式中:Tc — 計算轉矩,N·m;
T — 理論轉矩,N·m;
Pw — 驅動功率,kW;
PH — 驅動功率,hp;
n — 工作轉速,r/min;
K — 工作情況系數
2)工作情況系數K
負荷性質 | 使用萬向軸的設備名稱 | K |
輕沖擊載荷 | 發電機/離心泵/通風機/木工機床/皮帶運輸機 | 1.1-1.3 |
中沖擊載荷 | 壓縮機(多缸)/活塞泵(多缸)/小型型鋼軋機/連續線材軋機/輸送機主傳動 | 1.3-1.8 |
重沖擊載荷 | 造紙機/船舶驅動/運輸輥道/連續管軋機/連續工作輥道/中型型鋼軋機/壓縮機(單缸)活塞泵(單缸)/攪拌機/壓力機/矯直機/起重機主傳動/球磨機 | 2-3 |
特重沖擊載荷 | 起重機輔助傳動/破碎機/可逆工作輥道/卷取機/破磷機/初軋機 | 3-5 |
極重沖擊載荷 | 軋機送料輥道/厚板剪切機 | 6-15 |
注:1、一般情況下按所傳遞轉矩和軸承壽命選擇萬向聯軸器,也可根據機械設備的具體使用要求,只校核扭轉強度或軸承壽命中的一項;
2、當聯軸器在水平和垂直面間同時存在軸線折角時,還應計算其合成軸線折角;
3、部分特殊使用工環境況下,萬向聯軸器在選型階段要考慮使用轉速及動平衡的需求;
4、十字軸式萬向聯軸器應根據載荷特性、計算轉矩、軸承壽命及工作轉速等相關因素綜合選用。無錫市偉誠萬向軸有限公司提供中型萬向軸選型、萬向軸參數設計、研發及萬向軸生產等一站式服務,萬向軸生產廠家直接供貨,讓您省時、省力、省心。同時提供SWC中型萬向聯軸器的運輸與儲存、安裝與使用、保養與維修等方面的技術指導。



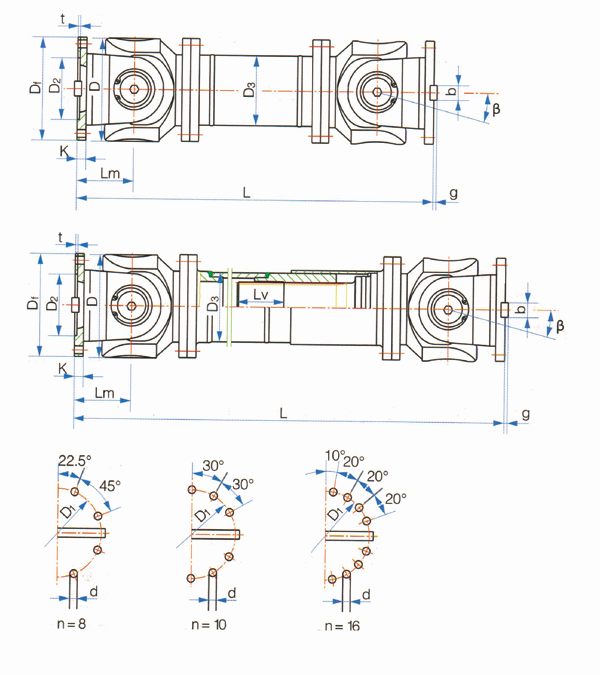
注:1.上表中各代號含義如下:
L --標準長度,對可伸縮型而言,長度L系縮短狀態下的最小長度;
Lv--伸長量;
m--質量;
Tn--公稱轉矩(取屈服轉矩的50%);
Tf--疲勞轉矩,即在變彎負荷作用下按疲勞強度確定的許用轉矩;
β--最大軸線折角;
mL--增長100mm的質量。
2.上表中未注明計量單位者按毫米計;
3.用戶需要改變標準長度,伸縮量和法蘭型式尺寸時,請和我廠商定。